手 机:19924390438
邮 箱:market@hongsiang1683.com
电 话:020-85681020(华南)
网 址:hongsiang1683.com
地 址:广州市番禺区番禺大道北555号天安科技园

项目简介

项目名称:铷稀有金属资源化项目
设备名称:长运娱乐MVR蒸发器
设计能力:4m3/h蒸发浓缩结晶系统
客户单位:广东金宇环境科技股份有限公司
设计单位:长运娱乐 — 大舞台,有梦您就来! cyyl
进水技术要求

蒸发工艺及材质选择
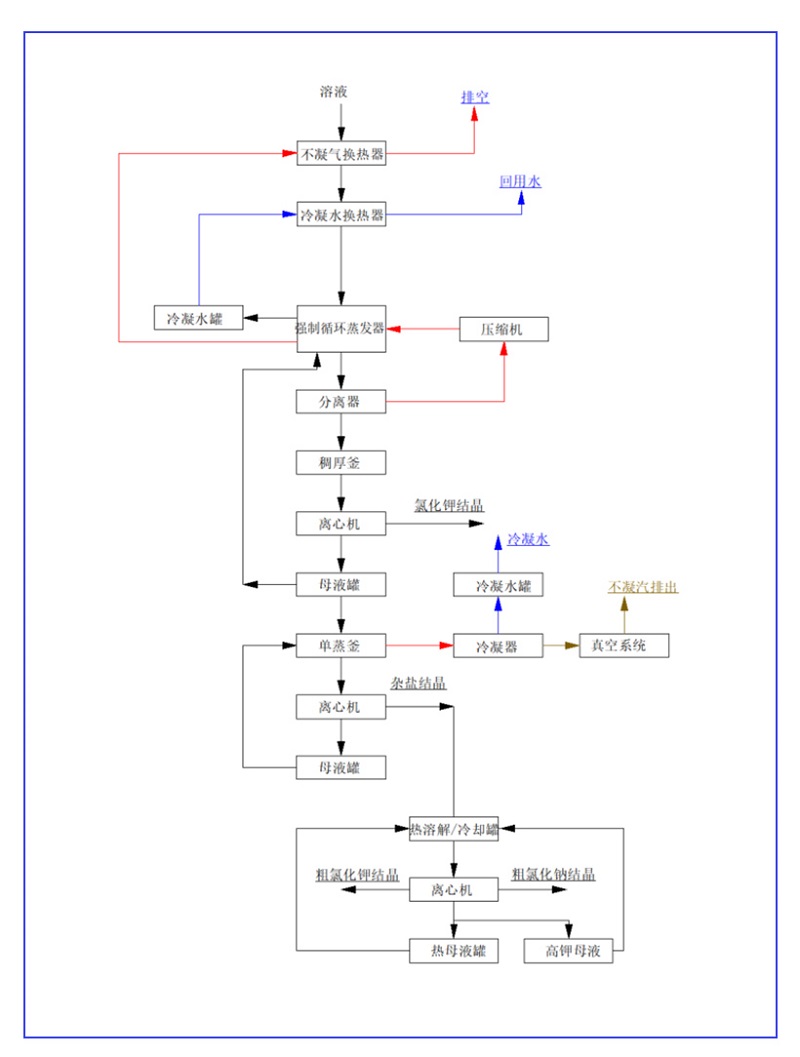
混合溶液是高钾低钠溶液,利用氯盐钾、钠溶解度差,实现钾、钠分离产出氯化钾产品和粗氯化钠产品。
混合氯盐溶液先 进入MVR强制循环蒸发系统,热结晶产出氯化钾结晶,离心分离得到氯化钾产品,结晶母液循环返回MVR强制循环蒸发器,结晶母液钠离子逐步升高,必须排出部分高钠结晶母液进入蒸发斧,蒸发斧浓缩蒸发热结晶离心产出氯化钾、氯化钠混合结晶,结晶母液循环返回蒸发釜,混合结晶进行热溶解,溶出氯化钾、氯化钠,得到氯化钾、氯化钠混合溶液和粗氯化钠,粗氯化钠对外销售,混合溶液进行冷却结晶产出粗氯化钾,冷却结晶母液返回热溶解,粗氯化钾返回制液工序四段净化
综合物料数据及业主的公用工程蒸汽量的情况,本项目采用MVR强制循环蒸发+单效蒸发+热溶解洗盐+冷却结晶的工艺。
由于废水含有高浓度氯化钠,对一般材料腐蚀严重,故本方案中凡与物料接触部分的材质均选用TA2/2205,二次蒸汽管道,不凝汽管道选用2205,冷凝水管道材质选择316L,生蒸汽管道采用Q235B,以满足工艺需求且达到蕞大性价比。



工艺流程图

本项目MVR蒸发器工艺优点
1.占地面积小,换热效率高,维护方便
蒸发器系统设计为MVR蒸发系统,占地面积小,换热效率高,维护方便。
2.对能耗和设备成本做到较好平衡
为了达到设计的3500kg/h的蒸发量,废液母液浓缩到结晶,长运娱乐 采用了单级离心压缩机提供20℃的温差,在保证达到以上两项参数的同时,设计时同时考虑到运行成本,保证压缩机蒸发每吨水的能耗,极大的降低了处理每吨水的能耗。设备使用寿命长。核心零配件全部采用一线品牌(包括压缩机、电机、变频器、传感器、PLC、CPU等),其中压缩机转子材质为TC4,抗腐蚀性强;其控制柜零配件均采用一线品牌;和原液接触部分使用TA2,保证其足够的强度和换热效果,主体设备保用10年以上。
3.系统智能化程度高
系统具HABS(热量自动平衡系统);ADS(自动排料系统,不需要传感器,通过数据库分析自动出料),AES(专家系统,通过对数据库的分析,综合得出系统的参数报表);SPS(系统自保护功能,能够根据系统传感器信号,感知问题,提出解决问题方案);FD(安 全模式,当系统出现较小问题,且可在短时间内得到解决,系统可在不停机的情况下进入安 全模式,待系统解决问题后,系统即可进入征程蒸发状态)。
4.系统具有良好的稳定性
经过大量的MVR蒸发器运行得到的数据分析可知,导致系统不稳定的蕞大原因就是系统热量不平衡,即压缩机提供的热量不足以提供所蒸发水量的能耗,导致系统蒸发水量达不到设计蒸发量,蒸发每吨水能耗高于设计值,因此本方案中加入了HABS(热量自动平衡系统),通过温度、流量、压力、液位等传感器回传信号,PLC控制系统自动保持系统热量平衡,确保系统能够连续稳定运行。
5.自动清洗系统
在进入蒸发器前,由于本系统实行低温、低温差蒸发,降低了设备结垢的可能性。但设备经过长期(根据物料是否含有、或者含有结垢物质的多少来定)的运行,不可避免的会有结垢现象出现,当出现结垢现象而导致设备蒸发能力下降时,可以使用本系统自动清洗系统,系统会根据系统设定的定期清洗时间从清洗罐泵入清洗液(可根据实际要求,可为弱酸弱碱、或者直接为清水),其清洗过程同蒸发过程一样,清洗后的清洗液泵入原液混合一起蒸发处理。
6.压缩机采用变频控制电机驱动
变频控制可以让风机在蕞佳转速下运行,消 除入口导叶损失;通过软启动,降低对整个系统的冲击,延长压缩机和电机的使用寿命。当需要在低于系统设计能力的情况下运行时,通过调节变频器可以保证系统的经济运行。
7.有效除沫
两级除雾实施确保除雾效果:在本项目中,为了防止大液滴从二次蒸汽出口飞溅出去,在分离器内及二次蒸汽出口设置了折流式、旋流式并连的曲折通道除雾装置,可将上升蒸汽中的较大液滴分离下来,除雾器能够分离二次蒸汽中夹带的微小液滴,二次蒸汽通过分离器里两级除雾分离,蒸汽中的液滴夹带可降低到0.1%,这将极大的提高蒸馏水的品质,延长了设备的使用寿命,确保压缩机长期稳定运行。夹带部分飞沫的蒸汽进入分离器后在离心作用下使液体飞沫附着在器壁上,部分泡沫经过高 效除沫器去除。蒸汽从分离室出汽口进入到压缩机入口。
8.防止跑料
我司特别设计制造的除沫装置可以高 效的截流二次蒸汽中夹带的雾沫液滴,提高了冷凝水质量,减小二次蒸汽对设备的腐蚀。本装置保证有效的防止了泡沫夹带料液的现象,同时也大大降低了蒸发出冷凝水中盐分的量,以延长了设备的使用寿命。
9.出料结晶方式
在蒸发时,由于有机物的浓缩也跟着富集,故在初始阶段,主要为无机盐的阶段,采用离心机进行结晶盐的分离,待有机物的浓度影响到结晶盐的成核,无法进行有效的分离时,此部分浓缩液排出。
10.自动化程度高
先 进的自动化技术:采用先 进的自动控制系统,配备自动化系统,能实现进料自动控制,加热温度自动控制,出料浓度自动控制。工业电脑通过动画显示工艺流程图和各项工艺参数,操作人只需要点鼠标就可完成全过程,自动控制系统将对系统工艺参数进行全自动显示和记录,大大降低劳动强度。工业控制计算机同时对系统运行状态进行判断,对局部出现的状况进行报警和操作指导,提高了系统故障处理的响应速度和控制能力。
长运娱乐MVR蒸发器简介

广东长运娱乐MVR蒸发器是一种主要应用于制药行业的新型高 效节能蒸发设备,该设备采用低温与低压汽蒸技术和清洁能源为能源产生蒸汽,将媒介中的水分离出来,是国际先 进的蒸发技术,是替代传统蒸发器的升级换代产品。MVR蒸发器不同于普通单效降膜或多效降膜蒸发器,MVR为单体蒸发器,集多效降膜蒸发器于一身,根据所需产品浓度不同采取分段式蒸发。

广东长运娱乐MVR蒸发器100%循环利用二次蒸汽的潜热,大大减少了能源消耗,运行成本低;取消了循环冷却水系统供应系统;结构紧凑,占地面积小;特别适合于小空间建设;自动化程度高,完全采用自动控制。已成功应用于危废行业、锂电池行业、化工行业、生物发酵行业、制药行业等工业污水零排放领域。




服务热线
020-85681020(华南)
邮箱:market@hongsiang1683.com
联系人:周经理19924390438
研发中心:广州市番禺区番禺大道北555号天安总部中心1号楼9层
生产基地:广东省韶关市浈江区狮塘路39号

扫一扫,关注长运娱乐