长运娱乐

欢迎访问长运娱乐 — 大舞台,有梦您就来! cyyl 官方网站!

MVR蒸发系统销售和租赁运营服务

提供工业废水蒸发预处理+蒸发系统BOT投资运营

24H全国服务热线:

19924390438

内页都是这个
当前位置: 首 页 > 产品展示 > > 长运娱乐低温热泵蒸发器

长运娱乐低温热泵蒸发器

  • 所属分类:
  • 浏览次数:0
  • 发布时间:2024-06-29 17:38:54
  • 产品特征:
  • 经典案例:热泵蒸发技术作为现今较新和有效的蒸发技术在欧美国家被广泛应用于各个行业的浓缩、结晶及干燥。
  • 产品概述
  • 产品特点
  • 蒸发特点
  • 产品规格
  • 应用领域





   长运娱乐低温热泵蒸发器


     长运娱乐低温热泵蒸发器公司引进德国热泵蒸发器核心部件,在国内进行组装,并为客户提供设计,生产,组装,运行等成套解决方案。

     热泵蒸发技术作为较新和篙效的蒸发技术,广泛应用于乳化液废水、电镀废水、RO 浓缩液、高盐废水、垃圾渗滤液、印染废水、喷漆废水、酸洗废水等诸多行业的浓缩,结晶及干燥。

     热泵蒸发器工作原理是二次蒸汽与生蒸汽的焓差并不大,只是二次蒸汽的压力和温度比较低,采用某种办法提高二次蒸汽的压力,则二次蒸汽中的热能可得到反复应用,而此过程需要的外加能量远小于由此可收回的可利用能量,从而达到节能的目的。在乳品厂,采用带一个热泵的双效蒸发系统,蒸发1kg水,仅需生蒸汽0.44kg,与三效蒸发的效果接近。


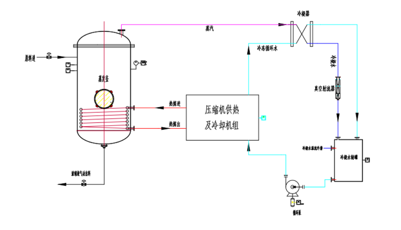
低温热泵工艺流程

长运娱乐低温热泵蒸发器


长运娱乐低温热泵蒸发器


供热工艺低温热泵蒸发器利用热泵技术的空气能提供蒸发所需的能量,所需的能耗也只是用来驱动压缩机运行的电能,从而大大节省了能量的消耗,实现百分之90以上的节能目的。


蒸发工艺:低温热泵蒸发器利用真空泵使系统保持高真空状态,从而使料液沸腾的温度降低到35-40℃之间,进而增加传热效率及蒸发效果。



低温热泵技术参数



长运娱乐真空低温热泵蒸发浓缩器


长运娱乐低温热泵蒸发器


发特点】

1、插电即用,无需额外配套蒸汽锅炉及冷水塔等设备;

2、充分利用热泵的空气能,相较于传统蒸汽或者电加热蒸发技术,热泵蒸发技术在能耗上大大降低;

3、超低温蒸发。真空度达-0.095Mpa以上,蒸发温度35-40℃。更加适合热敏性物料。对于腐蚀性物料对设备的腐蚀程度降到蕞低,相较于传统蒸发器其设备寿命大大延长;

4、超低温蒸发降低结垢系数,更加适合易结垢物料的蒸发浓缩;

5、模块化设计。设备结构紧凑,占地面积小,组装运行快速方便,静音运行;

6、全自动化控制,一键启动,自动进料,自动出料,断料报警,24小时无人值守;

7、故障率低,运行稳定,维修方便及保养成本低;   




长运娱乐真空低温热泵蒸发结晶器


长运娱乐低温热泵蒸发器



低温热泵蒸发优势



    相较于传统蒸发器,低温热泵蒸发器有如下优势:(1)插电即用,无额外配套设施,节能降耗百分之90以上;(2)低温蒸发,真空度-0.095Mpa以上,蒸发温度35-40℃;(3)模块化设计,占地面积小,组装运行快速方便;(4)全自动化,一键启动,自动进料,出料,断料报警;(5)故障率低,运行稳定,维修及保养成本低;(6)低震动,低噪音;(7)低温低腐蚀,延长设备的寿命。





产品图片


长运娱乐低温热泵蒸发器


长运娱乐低温热泵蒸发器

标签

长运娱乐低温热泵蒸发器
上一篇: 低温热泵 2024-06-29
下一篇: 多效蒸发系统租赁 2024-06-29

相关产品

相关长运娱乐

服务热线

020-85681020(华南)

邮箱:market@hongsiang1683.com

联系人:周经理19924390438

研发中心:广州市番禺区番禺大道北555号天安总部中心1号楼9层

生产基地:广东省韶关市浈江区狮塘路39号



扫一扫,关注长运娱乐

技术支持:
var _hmt = _hmt || []; (function() { var hm = document.createElement("script"); hm.src = "https://hm.baidu.com/hm.js?7b865d55fe5c0ec0b6112a63f149052c"; var s = document.getElementsByTagName("script")[0]; s.parentNode.insertBefore(hm, s); })();