手 机:19924390438
邮 箱:market@hongsiang1683.com
电 话:020-85681020(华南)
网 址:hongsiang1683.com
地 址:广州市番禺区番禺大道北555号天安科技园


项目名称:料液蒸发浓缩系统处理项目
设备名称:低温热泵蒸发装置
设计能力:额定蒸发量0.6T/H
客户单位:鹤山华美金属制品有限公司
设计单位: 长运娱乐 — 大舞台,有梦您就来! cyyl
物料情况及设备选型

01 物料情况 二价锡2g/L及苯酚磺酸1.5%、进料0.6吨每小时、二价锡浓缩出料浓度45g/L、则蒸发水量573kg每小时(忽略密度变化)。物料接触部分采用钛材TA2、其余不锈钢316L等, 02 设备选型及材质 无蒸汽可用、考虑运行成本、推荐采用长运娱乐低温热泵蒸发器。 物料成分复杂,物料接触部分材质采用TA2、氟合金、其余316L或碳钢。
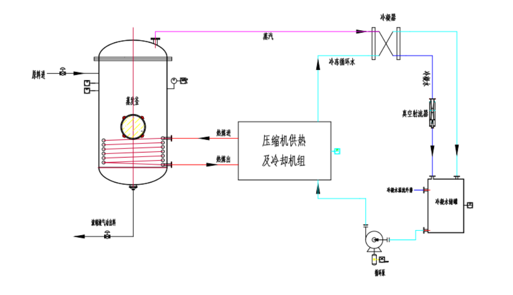
低温热泵工艺流程


▲物料走向:物料经进料泵进入分离器,在强制泵作用下不断在加热器和分离器之间循环、开启冷媒循环装置,给物料加热及二次蒸汽冷凝,使水分不断蒸发。在物料蒸发的过程中,通过真空吸力不断的补料,从而达到浓缩目的,浓缩液进储罐。
▲蒸汽走向:蒸汽走向:冷媒压缩后给物料加热,蒸发出来二次蒸汽进入冷凝器与减压后的冷媒换热冷凝,冷凝水进入冷凝水储罐。
低温热泵技术参数
长运娱乐真空低温热泵蒸发浓缩器

长运娱乐真空低温热泵蒸发结晶器

【蒸发特点】
1、插电即用,无需额外配套蒸汽锅炉及冷水塔等设备;
2、充分利用热泵的空气能,相较于传统蒸汽或者电加热蒸发技术,热泵蒸发技术在能耗上大大降低;
3、超低温蒸发。真空度达-0.095Mpa以上,蒸发温度35-40℃。更加适合热敏性物料。对于腐蚀性物料对设备的腐蚀程度降到蕞低,相较于传统蒸发器其设备寿命大大延长;
4、超低温蒸发降低结垢系数,更加适合易结垢物料的蒸发浓缩;
5、模块化设计。设备结构紧凑,占地面积小,组装运行快速方便,静音运行;
6、全自动化控制,一键启动,自动进料,自动出料,断料报警,24小时无人值守;
7、故障率低,运行稳定,维修方便及保养成本低;
产品图片


相较于传统蒸发器,低温热泵蒸发器有如下优势:(1)插电即用,无额外配套设施,节能降耗90%以上;(2)低温蒸发,真空度-0.095Mpa以上,蒸发温度35-40℃;(3)模块化设计,占地面积小,组装运行快速方便;(4)全自动化,一键启动,自动进料,出料,断料报警;(5)故障率低,运行稳定,维修及保养成本低;(6)低震动,低噪音;(7)低温低腐蚀,延长设备的寿命。


服务热线
020-85681020(华南)
邮箱:market@hongsiang1683.com
联系人:周经理19924390438
研发中心:广州市番禺区番禺大道北555号天安总部中心1号楼9层
生产基地:广东省韶关市浈江区狮塘路39号

扫一扫,关注长运娱乐